Емкость для приготовления технологических растворов

Емкость для приготовления технологических растворов

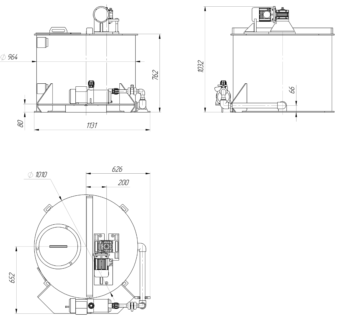
Емкость для приготовления технологических растворов.

Емкость для приготовления технологических растворов предназначена для приготовления (разведения) компонентов растворов различных электролитов. Заранее подготовленный раствор дозируется в нужном количестве в соответствующие ванны.  Изделие обеспечивает безопасную работу на участке гальванопокрытий.

Конструктивно изделие представляет собой емкость, оборудованную вспомогательной системой перемешивания и подачи готового раствора в технологическую ванну. При изготовлении емкости для приготовления технологических растворов учитывались требования ГОСТ 16310-80 «Соединения сварные из полиэтилена, полипропилена и винипласта». Изделие прошло технические испытания на стенде изготовителя.

Емкость для приготовления технологических растворов должен размещаться на специальных участках и в цехах заводов и промышленных предприятий, оборудованных приточной и вытяжной вентиляцией, водопроводом, канализацией, силовыми щитами, соответствующими Правилам техники безопасности и производственной санитарии при производстве металлопокрытий, правилам использования электроустановок. Помещение, в котором используется изделие, должно быть обеспечено общеобменной вентиляционной системой.

Емкость для приготовления технологических растворов выпускается в климатическом исполнении – УХЛ, категории-4,2 для работы в районах с умеренным и холодным климатом, в капитальных помещениях, при отсутствии воздействия прямой солнечной радиации и атмосферных осадков, ветра, песка и пыли наружного воздуха по ГОСТ 15150-69.

Требования к запыленности атмосферы и ее составу должны соответствовать группе условий эксплуатации -1, типу атмосферы –II по ГОСТ 15150-69.

Условия эксплуатации:

- диапазон температур помещения эксплуатации, °С от+10 до +35;

- относительная влажность, % не более 80 при 25° С;

- атмосферное давление, кПа от 84 до 106,7.

 

Сопутствующее и похожее оборудование