Гальванический барабан L1500_6

Гальванический барабан L1500_6

Гальванический барабан L1500_6.

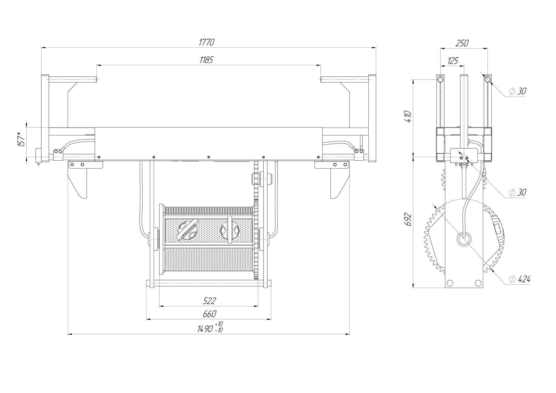
Гальванический барабан L1500_6 предназначен для подготовки поверхности и нанесения гальванического покрытия на мелкие детали путем погружения заполненного деталями изделия в технологические ванны длинной 1500 мм, а также для транспортировки деталей вдоль гальванических линий. Изделие представлено в 6-гранном корпусе: односекционный.

Барабан L1500_6 обеспечивает безопасную работу на участке гальванопокрытий, при соблюдении правил и требований настоящего паспорта.

При разработке конструкторской документации изделия учитывались требования ТУ 49.12-003-29983928-2024 «Барабан Гальванический». Декларация соответствия: ЕАЭС N RU Д-RU.РА11.В.64356/24.

Изделие прошло технические испытания на стенде изготовителя.

Барабан L1500_6 должен размещаться на специальных участках и в цехах заводов и промышленных предприятий, оборудованных приточной и вытяжной вентиляцией, водопроводом, канализацией, силовыми щитами, соответствующими Правилам техники безопасности и производственной санитарии при производстве металлопокрытий, правилам использования электроустановок. Помещение, в котором используется изделие, должно быть обеспечено общеобменной вентиляционной системой. 

Барабан L1500_6 выпускается в климатическом исполнении – УХЛ, категории-4,2 для работы в районах с умеренным и холодным климатом, в капитальных помещениях, при отсутствии воздействия прямой солнечной радиации и атмосферных осадков, ветра, песка и пыли наружного воздуха по ГОСТ 15150-69.

Требования к запыленности атмосферы и ее составу должны соответствовать группе условий эксплуатации -1, типу атмосферы –II по ГОСТ 15150-69.

Условия эксплуатации:

- диапазон температур помещения эксплуатации °С от+10 до +35;

- относительная влажность % не более 80 при 25 °С;

- атмосферное давление кПа от 84 до 106,7.

 

Сопутствующее и похожее оборудование