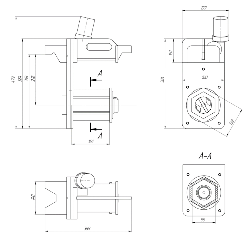
Барабан малый ручной

Барабан малый ручной

ГАЛЬВАНИЧЕСКИЙ БАРАБАН МАЛЫЙ РУЧНОЙ.

Гальванический барабан малый предназначен для подготовки поверхности и нанесения гальванического покрытия на мелкие детали путем погружения заполненного деталями барабана в технологические ванны различных гальванических линий.

При разработке конструкторской документации изделия учитывались требования ТУ 28.49.12-003-29983928-2024 «Барабан Гальванический».

Изделие прошло технические испытания на стенде изготовителя.

Барабан малый должнен эксплуатироваться на специальных участках и в цехах заводов и промышленных предприятий, оборудованных приточной и вытяжной вентиляцией, соответствующей Правилам техники безопасности и производственной санитарии. Помещение, в котором используется барабан малый, должно быть обеспечено общеобменной вентиляционной системой.

Барабан малый выпускается в климатическом исполнении – УХЛ, категории-4,2 для работы в районах с умеренным и холодным климатом, в капитальных помещениях, при отсутствии воздействия прямой солнечной радиации и атмосферных осадков, ветра, песка и пыли наружного воздуха по ГОСТ 15150-69.

Требования к запыленности атмосферы и ее составу должны соответствовать группе условий эксплуатации -1, типу атмосферы –II по ГОСТ 15150-69.

Условия эксплуатации:

-диапазон температур помещения эксплуатации °С от+10 до +35;

-относительная влажность % не более 80 при 25 °С;

-атмосферное давление кПа от 84 до 106,7.

Сопутствующее и похожее оборудование