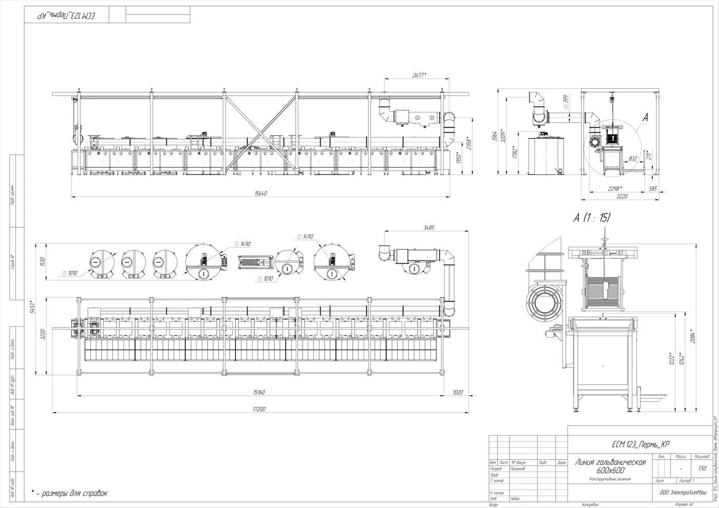
Гальваническая линия "КОМПАКТ-7М"

Гальваническая линия "КОМПАКТ-7М"

Гальваническая линия "КОМПАКТ-7М" цинкования с очистными сооружениями и системой локальной вытяжной вентиляции с абсорбером.

Гальваническая линия "КОМПАКТ-7М" предназначена для подготовки поверхности изделий, а также последующего нанесения на них цинкового покрытия с хроматированием (желтой пассивацией). 
Обслуживание линии осуществляется вручную с помощью грузоподъемного механизма - тельфера, возможна обработка изделий как на подвесках, так и насыпью - в барабанчиках, рабочие ванны оборудованы всем необходимым оборудованием - гальванические выпрямители, системы непрерывной фильтрации раствора, системы управления температурой, механизмами качания штанг. 
Линия "КОМПАКТ-7М" оборудована системой вытяжной вентиляции с сертифицированным абсорбером, предназначенным для очистки оттягиваемого от рабочих ванн воздуха. Линия "КОМПАКТ-7М" соответствует техническому регламенту Таможенного Союза  «О безопасности машин и оборудования», что подтверждается декларацией соответствия. 
В комплекте поставки очистные сооружения для стоков промывных вод. Очистные сооружения предназначены для обработки стоков гальванических линий. Разделенные стоки (кислые , щелочные и хромистые) , а также соответствующие утилизируемые рабочие растворы, направляются в накопительные емкости посредством дренажных емкостей. Все емкости оборудованы хим стойкими насосами на магнитной муфте, поплавковыми датчиками уровня, на каждый контур (кислый, щелочной, хромистый) , в емкости восстановления хрома предусмотрена механическая мешалка. 
В емкости накопления хромистых стоков осуществляется предварительная реагентная обработка по восстановлению хрома. Реагенты дозируют в емкость с включенной мешалкой для проведения реакции восстановления хрома. Далее, из накопительных емкостей, стоки направляются реактор осаждения, оборудованный механической мешалкой и рН метром, где выставляется оптимальный уровень рН и дозируется флокулянт. После чего осуществляется осветление стоков посредством фильтр-пресса. Осветленные стоки проходят дополнительную обработку трехступенчатой фильтрацией и могут быть слиты в канализацию после контрольной проверки и разведения технической водой до ПДК. 

Комплект поставки 
1. Гальваническая линия 
2. Металлокаркас с тельфером для перемещения завесок и барабанов 
3. Очистные сооружения 
4. Система вытяжной вентиляции в пределах линии - 1 шт. 
5. Абсорбер для очистки воздуха -1 шт. 
6. Сертификат ГОСТ Р на абсорбер. 
7. Декларация соответствия ТР ТС 010. 
8. Паспорт и руководство по эксплуатации 
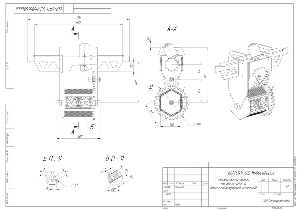
9. Гальванический барабан - 2 шт. 

Сопутствующее и похожее оборудование