Гальванические ванны меднения цианистого

Гальванические ванны меднения цианистого

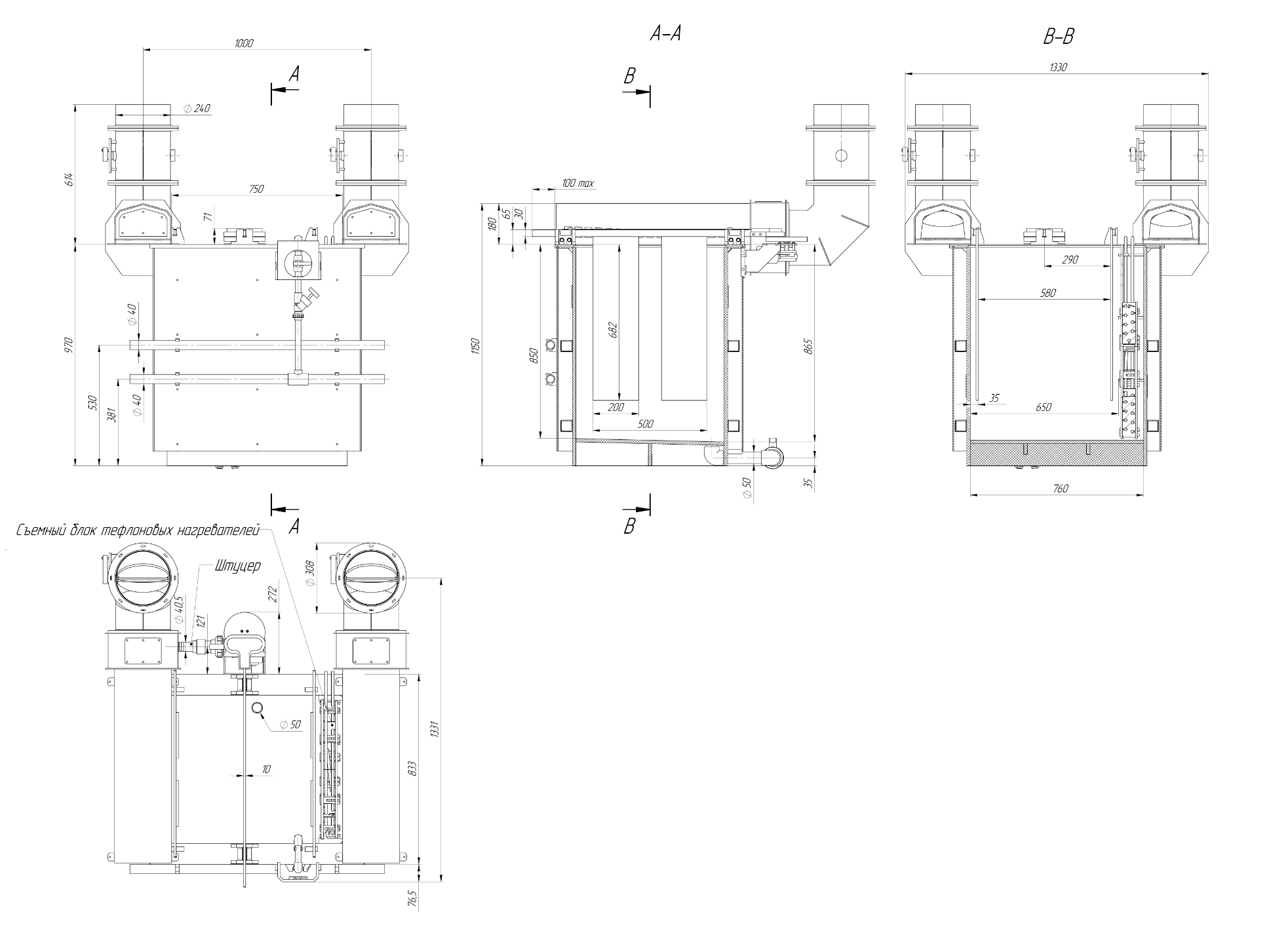
Ванна меднения цианистого.

Ванна меднения цианистого предназначена для нанесения медного слоя электрохимическим способом в качестве основного покрытия или в качестве подслоя перед нанесением основного покрытия. Изделие обеспечивает безопасную работу на участке гальванопокрытий, при соблюдении правил и требований настоящего паспорта.

При разработке конструкторской документации изделия, учитывались требования ТУ 28.49.12-002-29983928-2024. 

Ванна меднения цианистого соответствует нормативным требованиям ТРТС 010 О безопасности машин и оборудования, регистрационный номер декларации о соответствии ЕАЭС N RU Д-RU.РА11.В.64345/24.

Изделие прошло технические испытания на стенде изготовителя.

Ванна меднения цианистого должна размещаться на специальных участках и в цехах заводов и промышленных предприятий, оборудованных приточной и вытяжной вентиляцией, водопроводом, канализацией, силовыми щитами, соответствующими Правилам техники безопасности и производственной санитарии при производстве металлопокрытий, правилам использования электроустановок. Помещение, в котором используется изделие, должно быть обеспечено общеобменной вентиляционной системой.

Ванна меднения цианистого выпускается в климатическом исполнении – УХЛ, категории-4,2 для работы в районах с умеренным и холодным климатом, в капитальных помещениях, при отсутствии воздействия прямой солнечной радиации и атмосферных осадков, ветра, песка и пыли наружного воздуха по ГОСТ 15150-69.

Требования к запыленности атмосферы и ее составу должны соответствовать группе условий эксплуатации -1, типу атмосферы –II по ГОСТ 15150-69.

Условия эксплуатации:

- диапазон температур помещения эксплуатации, °С от+10 до +35;

- относительная влажность, % не более 80 при 25° С;

- атмосферное давление, кПа от 84 до 106,7.

Сопутствующее и похожее оборудование