Очистные сооружения залпового типа для линий серебрения, химического никелирования.  

Очистные сооружения залпового типа для линий серебрения, химического никелирования.  

Очистные сооружения залпового типа.


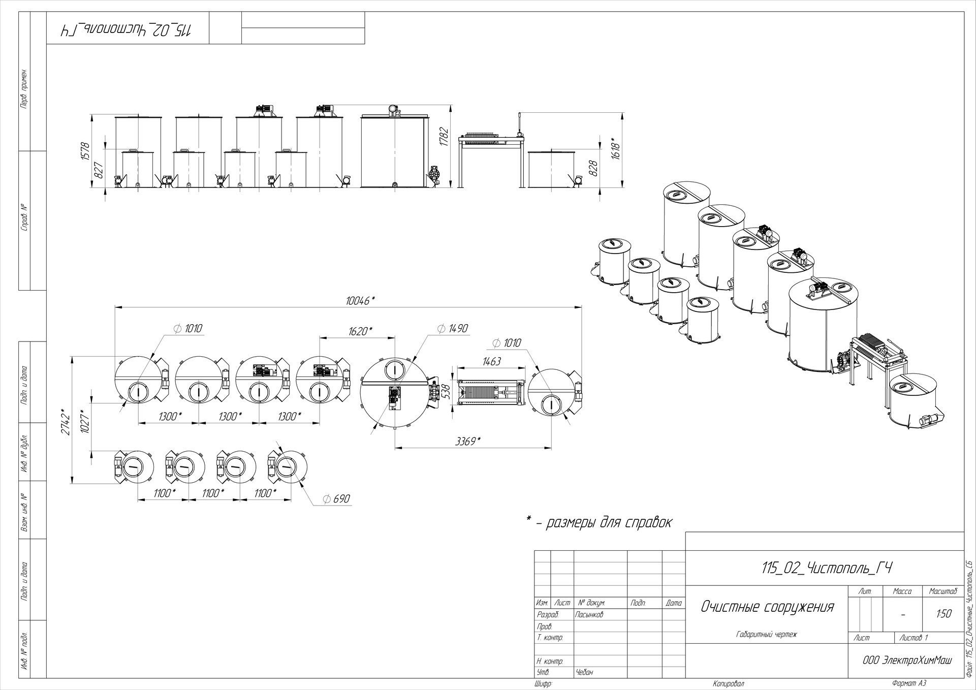
Очистные сооружения залпового типа предназначены для обработки стоков гальванических линий.  
Разделенные стоки (кислые , щелочные, хромистые и цианистые), а также соответствующие утилизируемые рабочие растворы, посредством дренажных емкостей (дренажные емкости могут быть расположены как в помещении очистных сооружений, так и рядом с линиями) направляются в накопительные емкости объемом 1000 литров каждая. Все емкости оборудованы хим. стойкими насосами на магнитной муфте. 
В емкостях накопления цианистых и хромистых стоков (дополнительно оборудованы механическими мешалками) осуществляется предварительная реагентная обработка по восстановлению хрома и окислению цианидов.  
Далее, из накопительных емкостей, стоки направляются реактор осаждения, оборудованный механической мешалкой и рН метром, где выставляется оптимальный уровень рН и дотируется флокулянт. После чего осуществляется осветление стоков посредством фильтр-пресса. Осветленные стоки проходят дополнительную обработку трехступенчатой фильтрацией и могут быть слиты в канализацию после контрольной проверки и разведения технической водой до ПДК. 

Сопутствующее и похожее оборудование