Абсорбер 960-2-П для очистки воздуха в системе местной вытяжной вентиляции

Абсорбер 960-2-П для очистки воздуха в системе местной вытяжной вентиляции

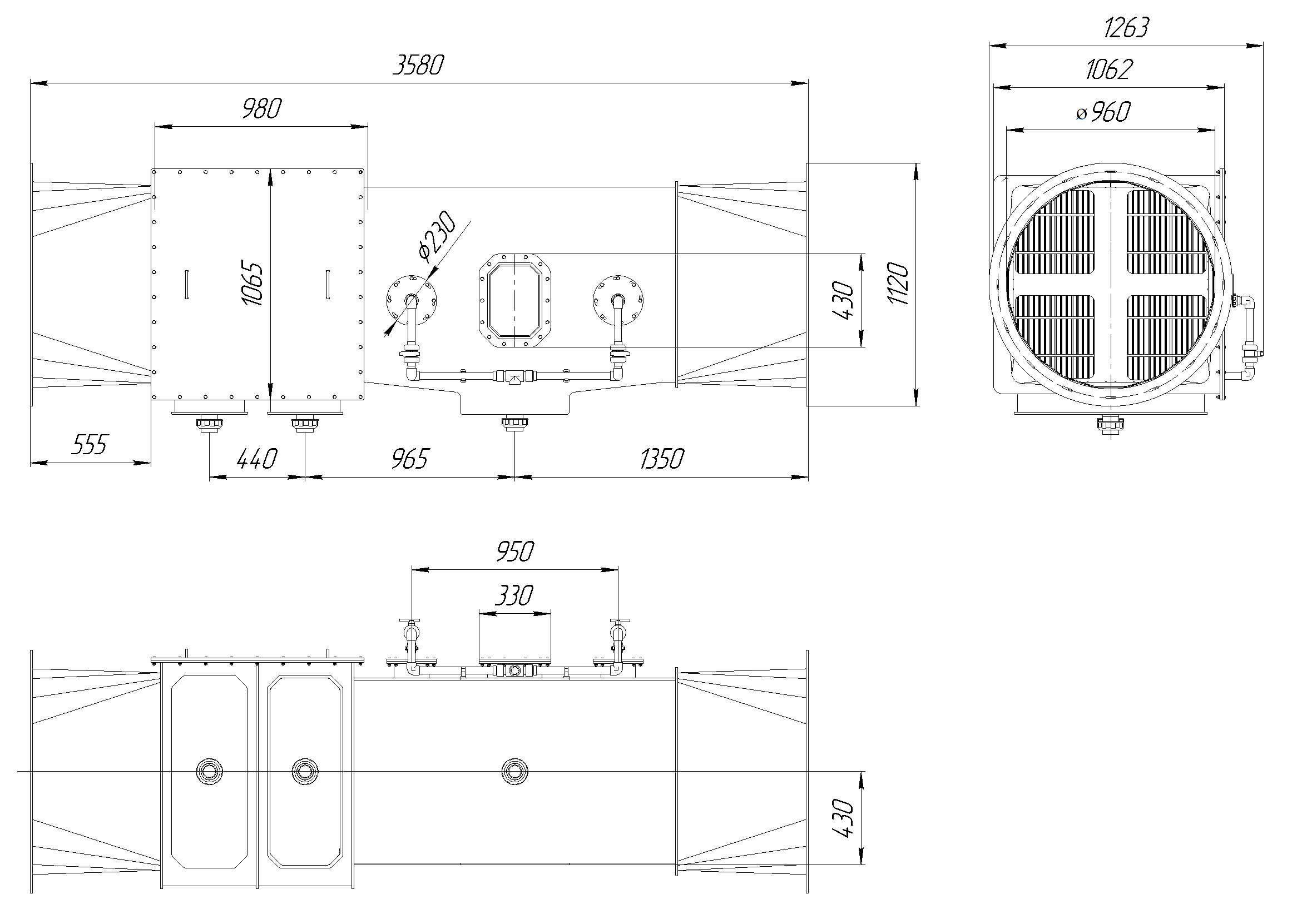
Абсорбер 960-2 сдвоенный.

Абсорбер 960-2- предназначен для очистки воздуха, удаляемого от технологических ванн на участке гальванопокрытий местной вытяжной вентиляцией: кислотных, щелочных и иных испарений методом абсорбции (поглощения) загрязнений абсорбентом с образованием водного раствора загрязнений в накопительной емкости. Изделие обеспечивает безопасную работу на участке гальванопокрытий.

При разработке конструкторской документации изделия, учитывались требования ГОСТ 31837-2012 «Газоочистители абсорбционные. Требования безопасности и методика испытаний». Сертификат соответствия № РОСС RU.32748.04ЭП30.ОС12.00968.

Изделие прошло технические испытания на стенде изготовителя.

Абсорбер-960-2 должен размещаться на специальных участках и в цехах заводов и промышленных предприятий, оборудованных приточной и вытяжной вентиляцией, водопроводом, канализацией, силовыми щитами, соответствующими Правилам техники безопасности и производственной санитарии при производстве металлопокрытий, правилам использования электроустановок. Помещение, в котором используется изделие, должно быть обеспечено общеобменной вентиляционной системой.

Абсорбер-960-2 выпускается в климатическом исполнении – УХЛ, категории-4,2 для работы в районах с умеренным и холодным климатом, в капитальных помещениях, при отсутствии воздействия прямой солнечной радиации и атмосферных осадков, ветра, песка и пыли наружного воздуха по ГОСТ 15150-69.

Требования к запыленности атмосферы и ее составу должны соответствовать группе условий эксплуатации -1, типу атмосферы –II по ГОСТ 15150-69.

Условия эксплуатации:

- диапазон температур помещения эксплуатации, °С от+10 до +35;

- относительная влажность, % не более 80 при 25° С;

- атмосферное давление, кПа от 84 до 106,7.

Сопутствующее и похожее оборудование